Hand mixer Robot Coupe MP 550 COMBI ULTRA

Manufacturer: Robot Coupe
Product code: MP 550 ULTRA

Delivery time: 1 - 3 days
Stock: Unavailable

Matching parts
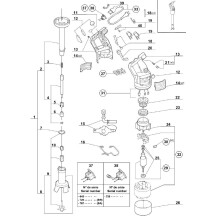
Technical drawing
Ask for product
Downloads

Technical drawing

Horeca Parts COM - Hand mixer Robot Coupe MP 550 COMBI ULTRA

Ask for product

Hand mixer Robot Coupe MP 550 COMBI ULTRA

Horeca Parts COM - Hand mixer Robot Coupe MP 550 COMBI ULTRA
Type of parts

Request for parts

What parts do you need?

Contact details

Cart
0